设为首页
|
加入收藏
首页
公司简介
产品中心
行业资讯
工艺设备
客户留言
联系我们
产品分类
阻尼体装置系列
缓冲器装置系列
阻尼器装置系列
联系我们
山东力速机械设备有限公司
电话:0531-82762338
Email:lisuzg@163.com
地址:山东省济南市商河县泰商国际D区6栋
产品展示
您现在的位置:
首页
> 产品展示
气液缓冲器
产品型号:
4型/21型/50型
产品产地:
发布日期:
2019-05-06
浏览次数:
次
咨询电话:
0531-82762338
关 键 词:
分享到:
QQ空间
新浪微博
腾讯微博
更多
下一个产品
上一个产品
详细介绍
选型表
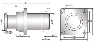
21型气液缓冲器
外形安装尺寸
最大反力
能量吸收
行程
尺寸
(Kn)
(Kj)
(mm)
L1
L2
L3
245
10
50
260
134
75
245
21
100
420
184
75
245
31
150
584
234
75
245
42
200
700
360
118
芯棒号
行程(mm)
冲击总量(t)
≤1.7t
≤3.5t
≤7t
≤13t
≤25t
≤50t
≤100t
≤200t
≤400t
50
051
052
053
054
055
056
057
\
\
100
101
102
103
104
105
106
107
108
\
150
151
152
153
154
155
156
157
158
159
200
201
202
203
204
205
206
207
208
209
重量
型号标识
行程
型式
21 - N - FS - 100 - 102
NFS
NBS
NCP
型号
密封形式
安装形式
缓冲器头
芯棒号
50
10.6
10.6
7.9
21
N-常温密封圈H-高温密封圈
FS-前部安装座BS-尾部安装座CP-无安装座
Φ100
见上表
100
13.8
13.8
11
150
17.1
17.1
14.4
200
20.3
20.3
18
4型气液缓冲器
行程
114mm
能量吸收
84.28Kj
最大反力
980KN
芯棒号
冲击重量(t)
≤5t
≤10t
≤20t
≤40t
≤80t
≤125t
芯棒号
02
04
05
07
08
10
总量
型号标识
型号
重量
4 - N - FZ -145 -02
NFZ-145
50
型号
型式
安装形式
缓冲器头
芯棒号
NFZ-130
66
4
N-常温密封圈H-高温密封圈
FZ-前部安装座BZ-尾部安装座CP-无安装座
Φ145-头部直径Φ-130头部直径
见上表
NFZ-145
64
NFZ-130
80
NFZ-145
38
NFZ-130
54
50型气液缓冲器
外形安装尺寸
型号
最大反力(Kn)
能量吸收(Kj)
行程(mm)
行程(mm)
L1
L2
L3
D
52
500
106
250
871
527
875
Φ140/180
53
500
127
300
1006
577
1010
Φ140/180
54
500
170
400
1277
577
1281
Φ140/180
芯棒号
行程(mm)
冲击重量(t)
≤4t
≤7.5t
≤10t
≤20t
≤40t
≤80t
≤150t
52
202
203
204
205
207
208
210
53
302
303
304
305
307
308
310
54
402
403
404
405
407
408
410
重量
型号标识
型号
型号
52 - N -FZ -140 - 202
NFZ-140
NFZ-180
型号
密封形式
安装形式
缓冲器头
芯棒号
52
55
59
525354
N-常温密封圈H-高温密封圈
FZ-前部安装座BS-尾部安装座
Φ140Φ180
见上表
53
59
63
54
68
72